| Name | Last modified | Size | |
|---|---|---|---|
![]() | Parent Directory | ||
![]() | adatkábel | 2023-10-10 13:19 | 721 KB |
![]() | dssc képek | 2023-10-10 13:19 | 869 KB |
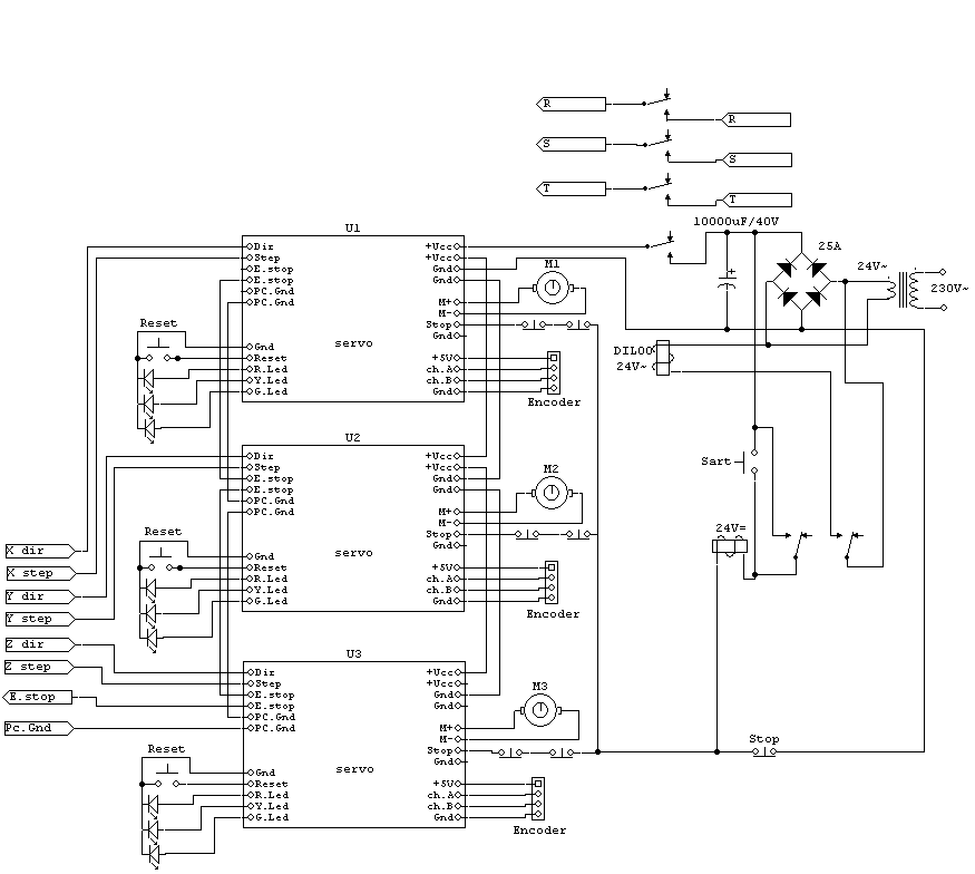
![]() | Encoder-bek%f6t%e9s.jpg | 2010-06-05 00:22 | 141 KB |
![]() | RS232-opto_Flia oldal.pdf | 2010-06-05 00:22 | 11 KB |
![]() | RS232-opto_komplett.pdf | 2010-06-05 00:22 | 16 KB |
![]() | servo1.bmp | 2010-06-05 00:26 | 2744 KB |