Works best with JavaScript enabled!Works best in modern browsers!powered by h5ai
NameLast modifiedSize
folder-parentParent Directory
filelayout.jpg2012-08-07 03:31224 KB
filestepper.txt2012-08-07 03:313 KB
fileTIP120schematic.png2012-08-07 03:3161 KB
fileuln2803-datasheet.pdf2012-08-07 03:3196 KB
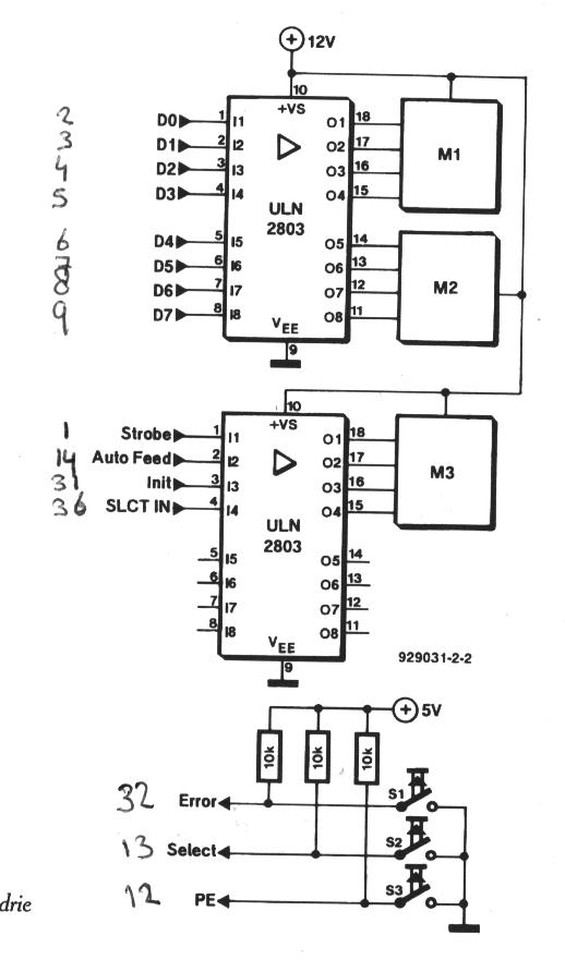
fileuln_schematic.jpg2012-08-07 03:3144 KB